- Описание
- Покупка
- Отзывы (0)
Кронштейн KH-200M от компании Kroks предназначен для установки тяжелых антенн на фасадах зданий. Усиленное основание кронштейна обеспечивает стабильную фиксацию параболических антенн, а порошковое покрытие защищает от коррозии и сохраняет аккуратный вид фасада. Модель KH-200M используется как в частном секторе для усиления сотовой связи и интернета, так и в профессиональных системах связи в офисах, на складах или промышленных объектах.
В чем преимущества кронштейна?
По сравнению с моделью KH-200, KH-200M имеет увеличенное основание, что повышает надежность при установке тяжелых или крупногабаритных устройств.
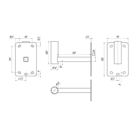
- Универсальность (вынос 150 мм). Расстояние до стены подобрано таким образом, чтобы упростить монтаж на большинстве фасадов деревенских домов, офисных зданий, павильонов в промзонах и других объектов;
- Труба ⌀32 мм. На кронштейн можно установить большинство антенн GSM/3G/4G, использующих стандартное крепление со скобой. Также возможен монтаж WiFi-оборудования (точек доступа), ТВ-антенн, уличных LTE-роутеров и других наружных устройств;
- Усиленное основание. Монтажная площадка размером 150 x 95 мм обеспечивает устойчивость на таких поверхностях, как кирпич, бетон или дерево;
- Защита от коррозии. Порошковое покрытие предотвращает распространение ржавчины, что особенно важно в регионах с высокой влажностью или перепадами температур;
- Простота установки. Монтаж не требует специальных инструментов. Кронштейн фиксируется к стене с помощью 5 отверстий (12,5 x 8 мм), подходящие метизы пользователь выбираются индивидуально.
Процесс установки кронштейна
Процесс монтажа очень прост и включает всего несколько шагов:
- Выбор места с учетом направления базовой станции для лучшего приема сигнала;
- Крепление кронштейна к стене или мачте анкерными болтами или саморезами (выбираются отдельно в зависимости от поверхности);
- Установка антенны на трубу с использованием U-скобы или червяного хомута;
- Настройка положения антенны для оптимального приема сигнала.
Кронштейн подходит для направленных антенн типа «волновой канал» (Яги-Уда), панельных и секторных моделей, а также «параболиков» большого диаметра. Модель KH-200M универсальна и используется в различных сценариях усиления сигнала:
- Загородные дома и дачи. Установка антенн для улучшения мобильного интернета в зонах с нестабильным покрытием, например, в сельской местности, где базовые станции находятся на расстоянии до 20 км;
- Офисы и коммерческие помещения. Монтаж систем усиления связи в зданиях с толстыми стенами, где сигнал сотовой сети ослаблен;
- Промышленные объекты. Крепление антенн на складах, производственных площадках или в ангарах для организации надежной связи.
Обеспечьте стабильное крепление антенны с помощью KH-200M от Kroks! Его усиленное основание и защита от коррозии гарантируют долговечность и надежность. Купите кронштейн на сайте или получите консультацию по номеру 8-800-3333-965.
| Характеристики | |
| Вынос от стены | 150 мм |
| Высота подъема | 70 мм |
| Диаметр трубы | 32 мм |
| Размер основания (опорной площадки) | 150 х 95 мм |
| Крепежные отверстия | 12,5 x 8 мм |
| Цвет | серый |
| Защитное покрытие | порошковая краска |
| Размер | 180 x 150 x 95 мм |
| Вес | 460 г |
| Доставка и гарантия | |
| Помощь с приобретением | Статьи по выбору |
| Доставка по Москве | 500 - 900 руб., 2–3 дня |
| Доставка по СПб | 500 - 900 руб., 1–2 дня |
| Доставка по России | 500 - 900 руб., 3–7 дней |
| Оплата | картой / по счёту с НДС |
| Манибек | 14 дней |
| Гарантия | 12 месяцев |
| Техподдержка | Будни 9-18 |
| Установка под ключ | Москва, СПб от 7000 руб. |
Оценка:*
Текст отзыва:*
| Исправление ошибок | |
| Если вы заметили ошибку, выделите текст и нажмите Ctrl+Enter или напишите нам. | |






